8 (800) 775 40 55
Звонок из регионов России
бесплатный!
бесплатный!
Профессиональный строительный инструмент и оборудование
Каталог инструментов
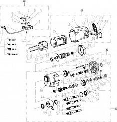
Установка алмазного бурения Saturn OB-180
Установка алмазного бурения Saturn OB-180 (Сатурн ОБ-180) предназначена для сверления круглых отверстий Ø 20 – 180 мм в бетонных, железобетонных, базальтовых, асфальтовых и других поверхностях под трубы вентиляции, теплоснабжения, водоснабжения и подобных коммуникаций.
Производитель: SATURN (САТУРН) – Россия.
Преимущества установки алмазного бурения Saturn OB-180:
- Корпус двигателя из алюминия хорошо отводит тепло во время работы
- Небольшой вес
- Рукоятка для переноса
- Поставляется в картонной коробке
Цена и технические характеристики установки алмазного бурения Saturn OB-180:
Оборудование для алмазного бурения
- Установка алмазного бурения
- Установка алмазного бурения с микроударом
- Дрель алмазного сверления
- Дрель с микроударом для алмазного бурения
- Керноотборник для асфальтобетона
- Двигатель алмазного бурения
- Двигатель алмазного бурения с микроударом
- Станина для алмазного бурения
- Станина для алмазного бурения с микроударом
- Алмазные коронки
- Доп. оборудование к технике алмазного бурения
-
Алмазные коронки по железобетону Kern Diamond Bit Concrete Premium 46 ммДиаметр: 46 ммРабочая длина: 450 ммЦена: 6 000 руб.
-
Диск алмазный сегментный по асфальту Keos Professional Asphalt 350 ммРазмеры: 350 × 15 × 3,2 × 25,4 / 20 ммЦена: 13 690 руб.
-
Алмазная коронка для сухого бурения с микроударом Адель Diamond Hit DH-D400 32 ммДиаметр: 32 ммРабочая длина: 450 ммЦена: 3 900 руб.
-
Гидравлический желобонакатчик GruvMaster RG-6X (2-16)Диаметр труб: 2" - 16"Мощность: 1,1 кВтЦена: 428 000 руб.
-
Установка алмазного бурения Keos KS-350 JSetДиаметр отверстий: 20 - 350 ммМощность: 3,2 кВтЦена: 232 990 руб.
-
Сварочный автомат горячего воздуха Weldy Roof 40Ширина сварного шва: 40 ммСкорость сварки: 0,7 - 10 м/минЦена: 441 660 руб.
-
Алмазная коронка для сухого бурения с микроударом Адель Diamond Hit DH-D400 122 ммДиаметр: 122 ммРабочая длина: 450 ммЦена: 8 800 руб.
Новости
-
26.11.2025Новые поступления для серьёзной работы: спираль и адаптер от Crocodile
-
21.11.2024Поступление желобонакатчиков GruvMaster - Новинка на Российском рынке!
-
27.12.2023С новым 2024 годом!
-
20.12.2022Режим работы в Новогодние праздники
-
12.10.2022ФСБ сообщила о попытке теракта с ПЗРК «Игла» в Подмосковье











Отзывы
Оставьте Ваш отзыв